產品描述
U40050 是一款緊湊型無電感設計的離線式 線 性 穩 壓 器 。 U40050 固 定 輸 出 5V 電 壓 。 U40050是一種簡單可靠的獲得偏置供電的離線 式電源解決方案。 U40050 集成了600V 功率MOSFET ,啟動 控制電路,VDD電壓控制電路,低壓差穩壓器 等。該芯片通過智能控制交流能量輸入以減小系 統損耗,提高系統效率,同時有效降低系統待機。 U40050集成有完備的帶自恢復功能的保護 功能:輸出短路保護,輸出過載保護,雷擊浪涌 保護和內置過溫保護等。
主要特點
●精度高輸出電壓:±2%
·固定輸出:5V
●優化控制方式,提升效率
●寬輸入電壓范圍:80~305VAC
●無需功率電感
●無需輸入高壓電容
●器件少,成本低
●快速動態響應輸出短路保護輸出過載保護內置過熱保護
●封裝類型ESOP-8
典型應用
●小家電電源
●墻壁開關和調光器
●待機輔助電源
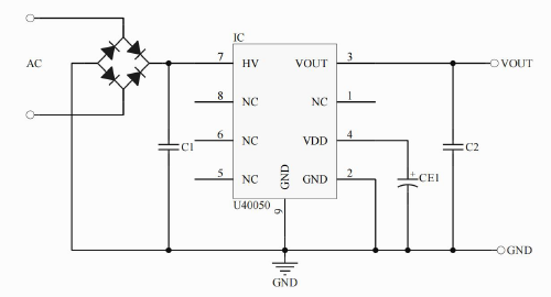
■典型應用電路

Copyright ? 2015-2023 紹興宇力半導體有限公司
浙公網安備33060202001577
浙ICP備2020037221號-1
技術支持:藍韻網絡