•產品描述
U8505A是一款應用于電動自行車閃光控 制器的專用集成電路。直流耐壓可達60V,極 大提升閃光控制器的可靠性。方案簡潔,大幅 降低方案成本,提升生產效率,降低產品失效 率,提升產品品質。 內置多重保護機制,防止在部分異常應用 下閃光控制器以及電動自行車上相關供電線路 發生損壞,并且能夠在應用恢復正常后自動解 決保護。提升閃光控制器自身可靠性的同時, 降低電動自行車整車返修概率。
•主要特點
內部集成時鐘電路,閃爍頻率穩定 ;逐周期負載過流限流保護 ;逐周期負載短路限流保護 ;逐周期芯片過熱關斷保護 ;簡單的 SOT23-6 封裝
•典型應用
電動自行車閃光控制器 ;霓虹燈控制器 ;信號燈控制器
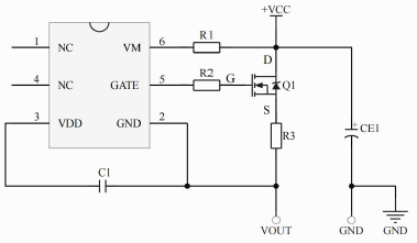
•典型應用電路

Copyright ? 2015-2023 紹興宇力半導體有限公司
浙公網安備33060202001577
浙ICP備2020037221號-1
技術支持:藍韻網絡