•產品描述:U3502C是一個高壓降壓開關穩壓器內置MOSFET。它集成了一個高側、高電壓、功率MOSFET,通常電流限制為3A(IPK)。輸入范圍適應各種降壓應用,使其成為汽車,工業和照明應用的理想選擇。采用滯回電壓模式控制,響應速度非常快。UNIU專有的反饋控制方案最大限度地減少了所需外部組件的數量。開關頻率為150KHz,允許元件尺寸小。熱停機和短路保護(SCP)提供可靠和容錯的操作。低靜態電流允許U3502C用于電池供電的應用。U3502C采用ESOP-8封裝,帶外露板。
•主要特點:集成高壓啟動電路;集成5.3V基準;內置100V/135 mΩ MOSFET;內置自舉二極管;滯后控制:無補償;150 KHz開關頻率;PWM調光控制輸入降壓應用;短路保護(SCP)與集成的高側MOSFET;低靜態電流;熱關閉;可在一個ESOP-8封裝與一個暴露的墊
•典型應用:滑板車,電動自行車控制電源;太陽能系統;汽車系統電源;工業電源;大功率LED驅動器;USB
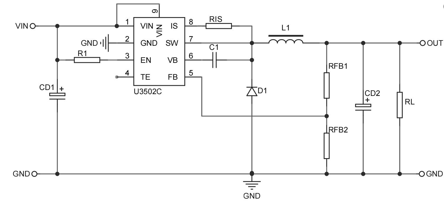
•典型應用電路

Copyright ? 2015-2023 紹興宇力半導體有限公司
浙公網安備33060202001577
浙ICP備2020037221號-1
技術支持:藍韻網絡