•產品描述:U831B是一款非隔離型、高集成度且低成本的PWM功率開關,適用于降壓型和升降壓型電路。U831B采用高壓單晶圓工藝,在同一片晶圓上集成有500V高壓MOSFET和采用開關式峰值電流模式控制的控制器。在全電壓輸入的范圍內可以保證高精度的5V默認輸出。在芯片內部,芯片內部最小Toff時間固定為32us且帶有抖頻功能,在保證輸出功率的條件下優化了EMI效果。同時,芯片設計有輕重載模式,可輕松獲得低于50mW的待機功耗。U831B集成有完備的保護功能:VDD欠壓保護、逐周期電流限制、異常過流保護、過熱保護、過載保護和短路保護等。
•主要特點: 高精度5V默認輸出;集成500V高壓MOSFET和高壓啟動電路;集成采樣電阻,超低系統成本;支持超低壓輸入(15V以上)應用;支持降壓和升降壓電路;開關式峰值電流模式控制;超低待機功耗小于50mW;超低工作電流,支持小VDD電容;集成軟啟動電路;集成 31KHz帶抖頻功能振蕩器;集成式保護功能:、過載保護(OLP)、過熱保護(OTP)、逐周期電流限制(OCP)、前沿消隱(LEB);VDD欠壓保護;封裝SOT23-3L
•典型應用:
小家電電源、輔助電源
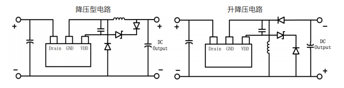
•典型應用電路:

Copyright ? 2015-2023 紹興宇力半導體有限公司
浙公網安備33060202001577
浙ICP備2020037221號-1
技術支持:藍韻網絡